Запчасти для бульдозеров ЧТЗ ДЭТ-320 - Ханты-Мансийск
Бульдозерно-рыхлительный агрегат российского производства ДЭТ 320 используется в сфере горнорудной и лесной промышленности, на прокладке нефте- и газопроводов, а также применяется в строительных работах, в том числе на крайнем севере. Поэтому техника испытывает максимальные нагрузки эксплуатации, что приводит к возникновению поломок. Компания «АвтоЗапчастьЦентр» предлагает большое разнообразие качественных запчастей на спецтехнику, которые гарантируют бесперебойную работу агрегатов и продолжительный срок их службы.
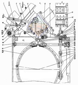
Каталог запасных частей на бульдозер ДЭТ-320
Запчасти на отечественную технику и, в частности, на бульдозер ДЭТ 320 представлены в широком ассортименте компанией «АвтоЗапчастьЦентр». В зависимости от модификации и года выпуска, ДЭТ-320 может иметь различные комплектующие, но в общем случае его можно разделить на следующие части:
- Кузов – состоящий из основной рамы, кабины, балансира и гусеничной ходовой системы.
- Двигатель – модель: ЯМЗ-238М, система питания, охлаждения и выхлопа.
- Гидравлика. Включает: насосы, давитель, клапана, гидроцилиндры.
- Электрооборудование – панель приборов, провода, выключатели, кнопки.
- Лезвие – само лезвие, фиксаторы, корпус лезвия, крепления.
- Гусеницы – звенья, шестерни, колесницы.
- Система охлаждения – радиаторы, насосы, термостаты.
Купить запчасти на трактор ДЭТ 320
Трактор ДЭТ 320 является универсальной моделью спецтехники, применяемой в широком спектре сфер. Приобрести запчасти на такое востребованное оборудование можно в интернет-магазине «АвтоЗапчастьЦентр». По разумным ценам, указанным в каталоге вы можете подобрать желаемые детали, которые всегда есть в наличии с доставкой во все уголки страны.
